- 776601(L) - 776600(T)
- 776401(L) - 776400(T)
- 776027
- 776018
- 776026
- 776003
- 776005
- 776000(L) - 776001(T)
- 776007(L) - 776010(T)
- 772000(T) - 775000(L)

Carbon steel temperature range: -10°C +160°C.
Vacuum: 10-3 torr.
The DN80 and DN100 versions differ from the drawing shown.
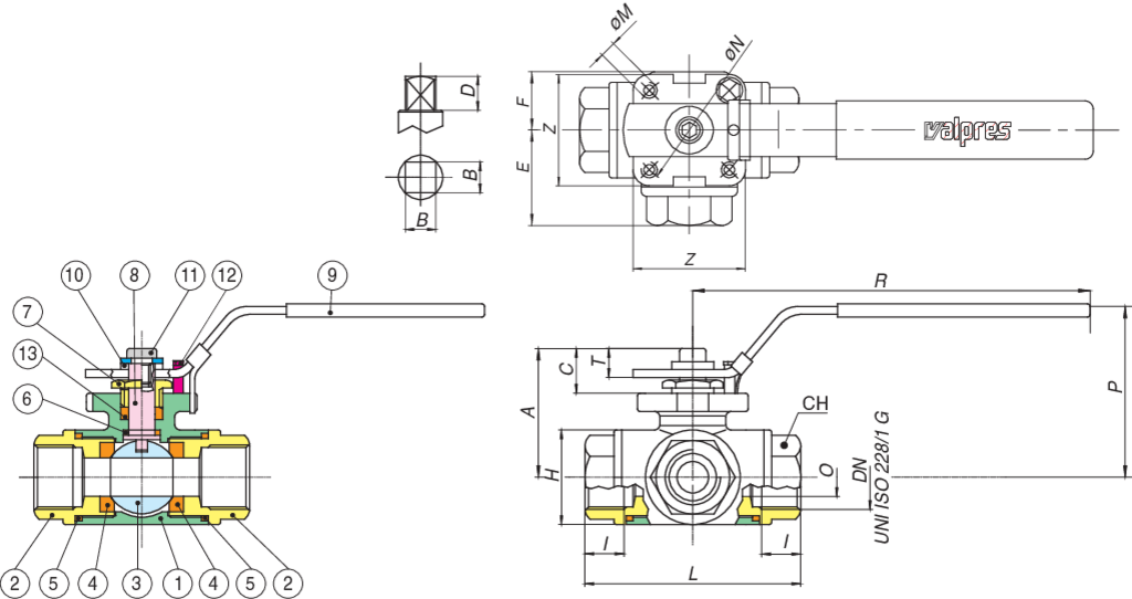
| Position | Part name | Material | N.° pieces |
|---|---|---|---|
| 1 | BODY | ASTM A105 | 1 |
| 2 | BALL | A479-TP316/A351-CF8M | 1 |
| 3 | STEM | A479-TP304 | 1 |
| 4 | BALL SEAT | PTFE | 4 |
| 5 | THRUST WASHER | PTFE | 1 |
| 6 | END CONNECTION | ASTM A105 | 1 |
| 7 | STEM SEAT | GRAPHOIL | 1 |
| 8 | STEM SEAT | PTFE | 1 |
| 9 | PACKING GLAND | CARBON STEEL | 2 |
| 10 | END STOP | CARBON STEEL | 1 |
| 11 | SCREW | CARBON STEEL | 2 |
| 12 | SPRING WASHER | CARBON STEEL | 2 |
| 13 | O-RING | FKM | 1 |
| 14 | O-RING | FKM | 1 |
| 15 | WASHER | STAINLESS STEEL | 2 |
| 16 | NUT | CARBON STEEL | 2 |
| 17 | HANDLE | CARBON STEEL | 1 |
| 18 | BODY SEAT | PTFE | 1 |
| 19 | STEM RETAINING NUT | ASTM A105 | 1 |
| 20 | STEM RETAINING NUT | ASTM A105 | 1 |
| 21 | O-RING | FKM | 1 |
| 22 | BODY SEAT | PTFE | 2 |
| 23 | O-RING | FKM | 2 |
| SIZE | DN | CODE | Y | Z | L | S | R | P | A | C | T | E | F | ØN | B | Kv(L) | PN | Kg |
|---|---|---|---|---|---|---|---|---|---|---|---|---|---|---|---|---|---|---|
| 1/2" | 15 | 77660104 - 77660004 | 65 | 4xM12 | 99 | 35 | 131,5 | 73 | 55 | 20 | 10 | M10 | 7 | 42 | 4xM5 | 7,6 | 16 | 3,70 |
| 3/4" | 20 | 77660105 - 77660005 | 75 | 4xM12 | 108 | 40 | 174 | 90 | 72 | 28 | 13 | M12 | 8 | 50 | 4xM6 | 12,2 | 16 | 5,50 |
| 1" | 25 | 77660106- 77660006 | 85 | 4xM12 | 115 | 41,5 | 174 | 95 | 76 | 27 | 12 | M12 | 8 | 50 | 4xM6 | 21,1 | 16 | 7,00 |
| 1"1/4 | 32 | 77660107 - 77660007 | 100 | 4xM16 | 140 | 52,5 | 250 | 116 | 92 | 31 | 13 | M16 | 10 | 50 | 4xM6 | 34,6 | 16 | 12,50 |
| 1"1/2 | 40 | 77660108 - 77660008 | 110 | 4xM16 | 150 | 56,5 | 321 | 129 | 107 | 38 | 18,5 | M20 | 14 | 70 | 4xM8 | 48,8 | 16 | 16,50 |
| 2" | 50 | 77660110 - 77660010 | 125 | 4xM16 | 167 | 62 | 321 | 137 | 115 | 38 | 18,5 | M20 | 14 | 70 | 4xM8 | 85,1 | 16 | 22,50 |
| 2"1/2 | 65 | 77660112 - 77660012 | 145 | 4xM16 | 185 | 85 | 321 | 150 | 131 | 41 | 22,5 | M20 | 14 | 70 | 4xM8 | 138,4 | 16 | 37,00 |
| 3" | 80 | 77660114 - 77660014 | 160 | 8xM16 | 216 | 127 | 381 | 171 | 147 | 40 | 18 | M24 | 18 | 102 | 4xM10 | 220,1 | 16 | 60,00 |
| 4" | 100 | 77660118 - 77660018 | 180 | 8xM16 | 244 | 150 | 381 | 192 | 169 | 39 | 18 | M24 | 18 | 102 | 4xM10 | 381,1 | 16 | 95,00 |

Stainless steel temperature range: -20°C +160°C.
Vacuum: 10-3 torr.
The DN80 and DN100 versions differ from the drawing shown.
| Position | Part name | Material | N.° pieces |
|---|---|---|---|
| 1 | BODY | A479-TP316 | 1 |
| 2 | BALL | A479-TP316/A351-CF8M | 1 |
| 3 | STEM | A479-TP316 | 1 |
| 4 | BALL SEAT | PTFE | 4 |
| 5 | THRUST WASHER | PTFE | 1 |
| 6 | END CONNECTION | A479-TP316/316L | 1 |
| 7 | STEM SEAT | GRAPHOIL | 1 |
| 8 | STEM SEAT | PTFE | 1 |
| 9 | PACKING GLAND | A182-F316 | 2 |
| 10 | END STOP | A182-F316 | 1 |
| 11 | SCREW | STAINLESS STEEL | 2 |
| 12 | SPRING WASHER | A182-F304 | 2 |
| 13 | O-RING | FKM | 1 |
| 14 | O-RING | FKM | 1 |
| 15 | WASHER | STAINLESS STEEL | 2 |
| 16 | NUT | STAINLESS STEEL | 2 |
| 17 | HANDLE | A182-F316 | 1 |
| 18 | STEM RETAINING NUT | A479 316/316L | 1 |
| 19 | STEM RETAINING NUT | A479 316/316L | 1 |
| 20 | O-RING | FKM | 2 |
| 21 | O-RING | FKM | 1 |
| 22 | BODY SEAT | PTFE | 2 |
| 23 | BODY SEAT | PTFE | 1 |
| SIZE | DN | CODE | Y | Z | L | S | R | P | A | C | T | E | F | ØN | B | Kv(L) | PN | Kg |
|---|---|---|---|---|---|---|---|---|---|---|---|---|---|---|---|---|---|---|
| 1/2" | 15 | 77640104-77640004 | 65 | 4xM12 | 99 | 35 | 131,5 | 73 | 55 | 20 | 10 | M10 | 7 | 42 | 4xM5 | 7,6 | 16 | 3,70 |
| 3/4" | 20 | 77640105-77640005 | 75 | 4xM12 | 108 | 40 | 174 | 90 | 72 | 28 | 13 | M12 | 8 | 50 | 4xM6 | 12,2 | 16 | 5,50 |
| 1" | 25 | 77640106-77640006 | 85 | 4xM12 | 115 | 41,5 | 174 | 95 | 76 | 27 | 12 | M12 | 8 | 50 | 4xM6 | 21,1 | 16 | 7,00 |
| 1"1/4 | 32 | 77640107-77640007 | 100 | 4xM16 | 140 | 52,5 | 250 | 116 | 92 | 31 | 13 | M16 | 10 | 50 | 4xM6 | 34,6 | 16 | 12,50 |
| 1"1/2 | 40 | 77640108-77640008 | 110 | 4xM16 | 150 | 56,5 | 321 | 129 | 107 | 38 | 18,5 | M20 | 14 | 70 | 4xM8 | 48,8 | 16 | 16,50 |
| 2" | 50 | 77640110-77640010 | 125 | 4xM16 | 167 | 62 | 321 | 137 | 115 | 38 | 18,5 | M20 | 14 | 70 | 4xM8 | 85,1 | 16 | 22,50 |
| 2"1/2 | 65 | 77640112-77640012 | 145 | 4xM16 | 185 | 85 | 321 | 150 | 131 | 41 | 22,5 | M20 | 14 | 70 | 4xM8 | 138,4 | 16 | 37,00 |
| 3" | 80 | 77640114-77640014 | 160 | 8xM16 | 216 | 127 | 381 | 171 | 147 | 40 | 18 | M24 | 18 | 102 | 4xM10 | 220,1 | 16 | 60,00 |
| 4" | 100 | 77640118-77640018 | 180 | 8xM16 | 244 | 150 | 381 | 192 | 169 | 39 | 18 | M24 | 18 | 102 | 4xM10 | 381,1 | 16 | 95,00 |

| Position | Part name | Material | N.° pieces |
|---|---|---|---|
| 1 | BODY | A479-TP316/316L | 1 |
| 2 | END CONNECTION | A479-TP316/316L | 1 |
| 3 | END CONNECTION | A479-TP316/316L | 1 |
| 4 | BALL SEAT | PTFE VERGINE | 2 |
| 5 | BALL | A351-CF8M | 1 |
| 6 | STEM | A479-TP316 | 1 |
| 7 | HANDLE | A37+Z/P | 1 |
| 8 | 90° STOP | AISI 430 | 2 |
| 9 | PACKING GLAND | A37+Z/P | 1 |
| 10 | ANTIFRICTION RING | TFM | 1 |
| 11 | STEM SEAT | PTFE | 1 |
| 12 | SPRING WASHER | 51CRV4 | 2 |
| 13 | NUT | 6S+Z/P | 2 |
| 14 | O-RING | FKM | 1 |
| 15 | O-RING | FKM | 1 |
| SIZE | DN | CODE | X | Y | Z | I | L | R | P | A | C | G | M | D | S | E | F | ØN | B | Kv(L) | PN | Kg | T |
|---|---|---|---|---|---|---|---|---|---|---|---|---|---|---|---|---|---|---|---|---|---|---|---|
| 1/2" | 15 | 77602704 | 89 | 65 | 4xM12 | 20 | 40 | 132 | 83,5 | 47 | 15,5 | 89 | 4xØ14 | 10 | 76 | 10 | 7 | 32 | 4xM5 | 2,8 | 16 | 2,3 | 8,5 |
| 3/4" | 20 | 77602705 | 99 | 75 | 4xM12 | 20 | 40 | 132 | 86 | 49,5 | 13,5 | 99 | 4xØ14 | 15 | 82 | 10 | 7 | 32 | 4xM5 | 5,2 | 16 | 2,9 | 8,5 |
| 1" | 25 | 77602706 | 109 | 85 | 4xM12 | 23 | 46 | 175 | 99 | 59 | 18 | 109 | 4xØ14 | 20 | 86 | 12 | 8 | 42 | 4xM5 | 9,2 | 16 | 3,9 | 10,5 |
| 1"1/4 | 32 | 77602707 | 130 | 100 | 4xM16 | 29 | 58 | 175 | 104 | 64 | 15,5 | 119 | 4xØ18 | 25 | 105 | 12 | 8 | 42 | 4xM5 | 14,4 | 16 | 6,2 | 10,5 |
| 1"1/2 | 40 | 77602708 | 140 | 110 | 4xM16 | 35,5 | 71 | 251 | 105 | 78 | 24,5 | 127 | 4xØ18 | 32 | 125 | 16 | 10 | 50 | 4xM6 | 25,9 | 16 | 8,8 | 13,5 |
| 2" | 50 | 77602710 | 160 | 125 | 4xM16 | 41 | 82 | 251 | 110 | 84,5 | 23,5 | 150 | 4xØ18 | 40 | 120 | 16 | 10 | 50 | 4xM6 | 40,4 | 16 | 12,27 | 12 |
| 2"1/2 | 65 | 77602712 | 180 | 145 | 4xM16 | 53 | 106 | 321 | 128 | 104,5 | 28 | 179 | 4xØ18 | 50,2 | 125 | 20 | 14 | 70 | 4xM8 | 63,2 | 16 | 19,8 | 18 |
| 3" | 80 | 77602714 | 200 | 160 | 8xM16 | 61 | 122 | 321 | 136 | 113 | 28 | 190 | 8xØ18 | 64 | 150 | 20 | 14 | 70 | 4xM8 | 115,8 | 16 | 29,00 | 18 |
| 4" | 100 | 77602718 | 220 | 180 | 8xM16 | 76 | 152 | 382 | 156 | 136 | 34,5 | 233 | 8xØ18 | 76 | 159 | 24 | 18 | 102 | 4xM10 | 163,2 | 16 | 40,1 | 22 |

| Position | Part name | Material | N.° pieces |
|---|---|---|---|
| 1 | BODY | A479-TP316/316L | 1 |
| 2 | END CONNECTION | A479-TP316/316L | 1 |
| 3 | END CONNECTION | A479-TP316/316L | 1 |
| 4 | BALL SEAT | PTFE CARICATO VETRO - GLASS FILLED PTFE | 2 |
| 5 | BALL | A351-CF8M | 1 |
| 6 | STEM | A479-TP316 | 1 |
| 7 | HANDLE | A37+Z/P | 1 |
| 8 | 90° STOP | AISI 430 | 2 |
| 9 | PACKING GLAND | A37+Z/P | 1 |
| 10 | ANTIFRICTION RING | TFM | 1 |
| 11 | STEM SEAT | PTFE | 1 |
| 12 | SPRING WASHER | 51CRV4 | 2 |
| 13 | NUT | 6S+Z/P | 2 |
| 14 | O-RING | FKM | 1 |
| 15 | O-RING | FKM | 1 |
| SIZE | DN | CODE | X | Y | Z | I | L | R | P | A | C | G | M | D | S | E | F | ØN | B | Kv(L) | PN | Kg | T |
|---|---|---|---|---|---|---|---|---|---|---|---|---|---|---|---|---|---|---|---|---|---|---|---|
| 1/2" | 15 | 77601804 | 89 | 60,5 | 4x1/2'' | 20 | 40 | 132 | 83,5 | 47 | 15,5 | 89 | 4xØ16 | 10 | 76 | 10 | 7 | 32 | 4xM5 | 2,8 | 20 | 1,9 | 8,5 |
| 3/4" | 20 | 77601805 | 99 | 69,8 | 4x1/2'' | 20 | 40 | 132 | 86 | 49,5 | 13,5 | 99 | 4xØ16 | 15 | 80,5 | 10 | 7 | 32 | 4xM5 | 5,2 | 20 | 2,5 | 8,5 |
| 1" | 25 | 77601806 | 109 | 79,2 | 4x1/2'' | 23 | 46 | 175 | 99 | 59 | 18 | 109 | 4xØ16 | 20 | 86 | 12 | 8 | 42 | 4xM5 | 9,2 | 20 | 3,5 | 10,5 |
| 1"1/4 | 32 | 77601807 | 119 | 88,9 | 4x1/2'' | 29 | 58 | 175 | 104 | 64 | 15,5 | 119 | 4xØ16 | 25 | 100 | 12 | 8 | 42 | 4xM5 | 14,4 | 20 | 5,1 | 10,5 |
| 1"1/2 | 40 | 77601808 | 130 | 98,6 | 4x1/2'' | 35,5 | 71 | 251 | 105 | 78 | 24,5 | 127 | 4xØ16 | 32 | 105 | 16 | 10 | 50 | 4xM6 | 25,9 | 20 | 7,5 | 13,5 |
| 2" | 50 | 77601810 | 155 | 120,6 | 4x5/8'' | 41 | 82 | 251 | 110 | 84,5 | 23,5 | 150 | 4xØ18 | 40 | 120 | 16 | 10 | 50 | 4xM6 | 40,4 | 20 | 10,3 | 12 |
| 2"1/2 | 65 | 77601812 | 179 | 139,7 | 4x5/8'' | 53 | 106 | 321 | 128 | 104,5 | 28 | 179 | 4xØ18 | 50,2 | 125 | 20 | 14 | 70 | 4xM8 | 63,2 | 20 | 19,6 | 18 |
| 3" | 80 | 77601814 | 190 | 152,4 | 4x5/8'' | 61 | 122 | 321 | 136 | 113 | 28 | 190 | 4xØ18 | 64 | 150 | 20 | 14 | 70 | 4xM8 | 115,8 | 20 | 24,8 | 18 |
| 4" | 100 | 77601818 | 235 | 190,5 | 8x5/8'' | 76 | 152 | 382 | 156 | 136 | 34,5 | 233 | 8xØ18 | 76 | 159 | 24 | 18 | 102 | 4xM10 | 163,2 | 20 | 46,3 | 22 |

| Position | Part name | Material | N.° pieces |
|---|---|---|---|
| 1 | BODY | ASTM A105/A352-LCB | 1 |
| 2 | END CONNECTION | ASTM A105/A352-LCB | 1 |
| 3 | END CONECTION | ASTM-A105 | 1 |
| 4 | BALL SEAT | PTFE | 2 |
| 5 | BALL | A351-CF8M | 1 |
| 6 | STEM | A479-TP304 | 1 |
| 7 | HANDLE | A37+Z/P | 1 |
| 8 | 90° STOP | AISI 430 | 2 |
| 10 | ANTIFRICTION RING | TFM | 1 |
| 9 | PACKING GLAND | A37+Z/P | 1 |
| 11 | STEM SEAT | PTFE | 1 |
| 12 | SPRING WASHER | 51CRV4 | 2 |
| 13 | NUT | 6S+Z/P | 1-2 |
| 14 | O-RING | FKM | 1 |
| 15 | O-RING | FKM | 1 |
| 16 | SCREW | 8.8+Z/P | 2 |
| 17 | BODY HANDLE | EN-GJL 250 | 1 |
| 18 | HANDLE | S275J2H | 1 |
| 19 | UNSCREWING GROWER | AISI 316 | 1 |
| 20 | SCREW | 8.8+Z/P | 7 |
| SIZE | DN | CODE | X | Y | Z | I | L | R | P | A | C | G | M | D | S | E | F | ØN | B | Kv(L) | PN | Kg | T |
|---|---|---|---|---|---|---|---|---|---|---|---|---|---|---|---|---|---|---|---|---|---|---|---|
| 1/2" | 15 | 77602604 | 89 | 65 | 4xM12 | 20 | 40 | 132 | 83,5 | 47 | 15,5 | 89 | 4xØ14 | 10 | 76 | 10 | 7 | 32 | 4xM5 | 2,8 | 16 | 2,3 | 8,5 |
| 3/4" | 20 | 77602605 | 99 | 75 | 4xM12 | 20 | 40 | 132 | 86 | 49,5 | 13,5 | 99 | 4XØ14 | 15 | 82 | 10 | 7 | 32 | 4XM5 | 5,2 | 16 | 2,9 | 8,5 |
| 1" | 25 | 77602606 | 109 | 85 | 4XM12 | 23 | 46 | 175 | 99 | 59 | 18 | 109 | 4xØ14 | 20 | 86 | 12 | 8 | 42 | 4xM5 | 9,2 | 16 | 3,9 | 10,5 |
| 1"1/4 | 32 | 77602607 | 130 | 100 | 4xM16 | 29 | 58 | 175 | 104 | 64 | 15,5 | 119 | 4xØ18 | 25 | 105 | 12 | 8 | 42 | 4xM5 | 14,4 | 16 | 6,2 | 10,5 |
| 1"1/2 | 40 | 77602608 | 140 | 110 | 4xM16 | 35,5 | 71 | 251 | 105 | 78 | 24,5 | 127 | 4xØ18 | 32 | 125 | 16 | 10 | 50 | 4xM6 | 25,9 | 16 | 8,8 | 13,5 |
| 2" | 50 | 77602610 | 160 | 125 | 4xM16 | 41 | 82 | 251 | 110 | 84,5 | 23,5 | 150 | 4xØ18 | 40 | 120 | 16 | 10 | 50 | 4xM6 | 40,4 | 16 | 12,27 | 12 |
| 2"1/2 | 65 | 77602612 | 180 | 145 | 4xM16 | 53 | 106 | 321 | 128 | 104,5 | 28 | 179 | 4xØ18 | 50,2 | 125 | 20 | 14 | 70 | 4xM8 | 63,2 | 16 | 19,8 | 18 |
| 3" | 80 | 77602614 | 200 | 160 | 8xM16 | 61 | 122 | 321 | 136 | 113 | 28 | 190 | 8xØ18 | 64 | 150 | 20 | 14 | 70 | 4xM8 | 115,8 | 16 | 29,00 | 18 |
| 4" | 100 | 77602618 | 220 | 180 | 8xM16 | 76 | 152 | 381,5 | 156 | 136 | 34,5 | 233 | 8xØ18 | 76 | 159 | 24 | 18 | 102 | 4xM10 | 163,2 | 16 | 40,1 | 22 |
| 5" | 125 | 77602619 | 250 | 210 | 8xM16 | 98 | 196 | 381,5 | 179 | 159 | 29,5 | 255 | 8xØ18 | 100 | 190 | 24 | 18 | 102 | 4xM10 | 282,6 | 16 | 63,5 | 22 |
| 6" | 150 | 77602620 | 306 | 240 | 8xM20 | 116 | 242 | 700 | 266 | 201 | 48 | 280 | 8xØ22 | 125 | 210 | 42 | 30 | 125 | 4xM12 | 441,6 | 16 | 113,5 | 29 |

| Position | Part name | Material | N.° pieces |
|---|---|---|---|
| 1 | BODY | A479-TP316/316L | 1 |
| 2 | END CONNECTION | A479-TP316/316L | 1 |
| 3 | END CONNECTION | A479-TP316/316L | 1 |
| 4 | BALL SEAT | PTFE VERGINE | 2 |
| 5 | BALL | A351-CF8M | 1 |
| 6 | STEM | A479-TP316 | 1 |
| 7 | HANDLE | A37+Z/P | 1 |
| 8 | 90° STOP | AISI 430 | 2 |
| 9 | PACKING GLAND | A37+Z/P | 1 |
| 10 | ANTIFRICTION RING | TFM | 1 |
| 11 | STEM STEAM | PTFE | 1 |
| 12 | SPRING WASHER | 51CRV4 | 2 |
| 13 | NUT | 6S+Z/P | 2 |
| 14 | O-RING | FKM | 1 |
| 15 | O-RING | FKM | 1 |
| SIZE | DN | CODE | X | Y | Z | I | L | R | P | A | C | G | M | D | S | E | F | ØN | B | Kv(L) | PN | Kg | T |
|---|---|---|---|---|---|---|---|---|---|---|---|---|---|---|---|---|---|---|---|---|---|---|---|
| 1/2" | 15 | 77600304 | 89 | 60,5 | 4xM14 | 20 | 40 | 132 | 83,5 | 47 | 15,5 | 89 | 4xØ16 | 10 | 76 | 10 | 7 | 32 | 4xM5 | 2,8 | 20 | 1,9 | 8,5 |
| 3/4" | 20 | 77600305 | 99 | 69,8 | 4xM14 | 20 | 40 | 132 | 86 | 49,5 | 13,5 | 99 | 4xØ16 | 15 | 80,5 | 10 | 7 | 32 | 4xM5 | 5,2 | 20 | 2,5 | 8,5 |
| 1" | 25 | 77600306 | 109 | 79,2 | 4xM14 | 23 | 46 | 175 | 99 | 59 | 18 | 109 | 4xØ16 | 20 | 86 | 12 | 8 | 42 | 4xM5 | 9,2 | 20 | 3,5 | 10,5 |
| 1"1/4 | 32 | 77600307 | 119 | 88,9 | 4xM14 | 29 | 58 | 175 | 104 | 64 | 15,5 | 119 | 4xØ16 | 25 | 100 | 12 | 8 | 42 | 4xM5 | 14,4 | 20 | 5,1 | 10,5 |
| 1"1/2 | 40 | 77600308 | 130 | 98,6 | 4xM14 | 35,5 | 71 | 251 | 105 | 78 | 24,5 | 127 | 4xØ18 | 32 | 105 | 16 | 10 | 50 | 4xM6 | 25,9 | 20 | 7,5 | 13,5 |
| 2" | 50 | 77600310 | 155 | 120,6 | 4xM16 | 41 | 82 | 251 | 110 | 84,5 | 25 | 150 | 4xØ18 | 40 | 120 | 16 | 10 | 50 | 4xM6 | 40,4 | 20 | 10,3 | 12 |
| 2"1/2 | 65 | 77600312 | 179 | 139,7 | 4xM16 | 53 | 106 | 321 | 128 | 104,5 | 28 | 179 | 4xØ18 | 50,2 | 125 | 20 | 14 | 70 | 4xM8 | 63,2 | 20 | 19,6 | 18 |
| 3" | 80 | 77600314 | 190 | 152,4 | 4xM16 | 61 | 122 | 321 | 136 | 113 | 28 | 190 | 4xØ18 | 64 | 150 | 20 | 14 | 70 | 4xM8 | 115,8 | 20 | 24,8 | 18 |
| 4" | 100 | 77600318 | 235 | 190,5 | 8xM16 | 76 | 152 | 382 | 156 | 136 | 34,5 | 233 | 8xØ18 | 76 | 159 | 24 | 18 | 102 | 4xM10 | 163,2 | 20 | 46,3 | 22 |

| Position | Part name | Material | N.° pieces |
|---|---|---|---|
| 1 | BODY | ASTM A105 | 1 |
| 2 | END CONNECTION | ASTM A105 | 1 |
| 3 | END CONNECTION | ASTM-A105 | 1 |
| 4 | BALL SEAT | PTFE | 2 |
| 5 | BALL | A351-CF8M | 1 |
| 6 | STEM | A479-TP304 | 1 |
| 7 | HANDLE | A37+Z/P | 1 |
| 8 | 90° STOP | AISI 430 | 2 |
| 9 | PACKING GLAND | A37+Z/P | 1 |
| 10 | ANTIFRICTION RING | TFM | 1 |
| 11 | STEM SEAT | PTFE | 1 |
| 12 | SPRING WASHER | 51CRV4 | 2 |
| 13 | NUT | 6S+Z/P | 1-2 |
| 14 | O-RING | FKM | 1 |
| 15 | O-RING | FKM | 1 |
| 16 | SCREW | 8.8+Z/P | 1 |
| 17 | BODY HANDLE | EN-GJL 250 | 1 |
| 18 | HANDLE | S275J2H | 1 |
| 19 | UNSCREWING GROWER | AISI 316 | 1 |
| 20 | SCREW | 8.8+Z/P | 7 |
| SIZE | DN | CODE | X | Y | Z | I | L | R | P | A | C | G | M | D | S | E | F | ØN | B | Kv(L) | PN | Kg | T |
|---|---|---|---|---|---|---|---|---|---|---|---|---|---|---|---|---|---|---|---|---|---|---|---|
| 1/2" | 15 | 77600504 | 89 | 60,5 | 4xM14 | 20 | 40 | 132 | 83,5 | 47 | 15,5 | 89 | 4xØ16 | 10 | 76 | 10 | 7 | 32 | 4xM5 | 2,8 | 20 | 1,9 | 8,5 |
| 3/4" | 20 | 77600505 | 99 | 69,8 | 4xM14 | 20 | 40 | 132 | 86 | 49,5 | 13,5 | 99 | 4XØ16 | 15 | 80,5 | 10 | 7 | 32 | 4XM5 | 5,2 | 20 | 2,5 | 8,5 |
| 1" | 25 | 77600506 | 109 | 79,2 | 4XM14 | 23 | 46 | 175 | 99 | 59 | 18 | 109 | 4xØ16 | 20 | 86 | 12 | 8 | 42 | 4xM5 | 9,2 | 20 | 3,5 | 10,5 |
| 1"1/4 | 32 | 77600507 | 119 | 88,9 | 4xM14 | 29 | 58 | 175 | 104 | 64 | 15,5 | 119 | 4xØ16 | 25 | 100 | 12 | 8 | 42 | 4xM5 | 14,4 | 20 | 5,1 | 10,5 |
| 1"1/2 | 40 | 77600508 | 130 | 98,6 | 4xM14 | 35,5 | 71 | 251 | 105 | 78 | 24,5 | 127 | 4xØ16 | 32 | 105 | 16 | 10 | 50 | 4xM6 | 25,9 | 20 | 7,5 | 13,5 |
| 2" | 50 | 77600510 | 155 | 120,6 | 4xM16 | 41 | 82 | 251 | 100 | 84,5 | 23,5 | 150 | 4xØ18 | 40 | 120 | 16 | 10 | 50 | 4xM6 | 40,4 | 20 | 10,3 | 12 |
| 2"1/2 | 65 | 77600512 | 179 | 139,7 | 4xM16 | 53 | 106 | 321 | 128 | 104,5 | 28 | 179 | 4xØ18 | 50,2 | 125 | 20 | 14 | 70 | 4xM8 | 63,2 | 20 | 19,6 | 18 |
| 3" | 80 | 77600514 | 190 | 152,4 | 4xM16 | 61 | 122 | 321 | 136 | 113 | 28 | 190 | 4xØ18 | 64 | 150 | 20 | 14 | 70 | 4xM8 | 115,8 | 20 | 24,8 | 18 |
| 4" | 100 | 77600518 | 235 | 190,5 | 8xM16 | 76 | 152 | 382 | 156 | 136 | 34,5 | 233 | 8xØ18 | 76 | 159 | 24 | 18 | 102 | 4xM10 | 163,2 | 20 | 46,3 | 22 |
| 5" | 125 | 77600519 | 259 | 216 | 8xM20 | 98 | 196 | 382 | 179 | 159 | 29,5 | 255 | 8xØ22 | 100 | 190 | 24 | 18 | 102 | 4xM10 | 282,6 | 20 | 69,00 | 22 |
| 6" | 150 | 77600520 | 305 | 241,5 | 8xM20 | 116 | 242 | 700 | 266 | 201 | 48 | 280 | 8xØ22 | 125 | 210 | 42 | 30 | 125 | 4xM12 | 441,6 | 20 | 115,5 | 29 |

Temperature range: -10°C +160°C.
Vacuum: 10-3 torr.
| Position | Part name | Material | N.° pieces |
|---|---|---|---|
| 1 | BODY | ASTM A105 | 1 |
| 2 | END CONNECTION | ASTM A105 | 1 |
| 3 | BALL | A351-CF8/A479-TP304 | 1 |
| 4 | BALL SEAT | PTFE | 2 |
| 5 | O-RING | FKM | 1 |
| 6 | THRUST WASHER | PTFE | 1 |
| 7 | O-RING | FKM | 1 |
| 8 | STEM SEAT | PTFE | 1 |
| 9 | PACKING GLAND | CARBON STEEL | 1 |
| 10* | END STOP | INOX AISI 430 (DN15-DN50) CARBON STEEL (DN65-DN150) | 2-1 |
| 11 | SPRING WASHER | CARBON STEEL | 2 |
| 12 | NUT | CARBON STEEL | 2 |
| 13 | STEM | A479-TP304 | 1 |
| 14 | HANDLE | CARBON STEEL | 1 |
| 15 | HANDLE DN 150 | CARBON STEEL | 1 |
| 16 | SCREW | CARBON STEEL | 1 |
| 17 | SCREW | CARBON STEEL | 8 |
| 18 | BODY HANDLE DN150 | EN-GJL 250 | 1 |
| SIZE | DN | CODE | X | Y | Z | I | L | R | P | A | C | G | M | D | S | E | F | ØN | B | Kv(L) | PN | Kg |
|---|---|---|---|---|---|---|---|---|---|---|---|---|---|---|---|---|---|---|---|---|---|---|
| 1/2" | 15 | 77600004-77600104 | 89 | 65 | 4xM12 | 20 | 40 | 131,5 | 64,5 | 47 | 15,5 | 95 | 4xØ14 | 10 | 76 | 10 | 7 | 32 | 4xM5 | 2,8 | 16 | 2,23 |
| 3/4" | 20 | 77600005-77600105 | 99 | 75 | 4xM12 | 20 | 40 | 131,5 | 67 | 49,5 | 13,5 | 105 | 4XØ14 | 15 | 82 | 10 | 7 | 32 | 4XM5 | 5,2 | 16 | 2,86 |
| 1" | 25 | 77600006-77600106 | 109 | 85 | 4XM12 | 23 | 46 | 174,5 | 79 | 59 | 18 | 115 | 4xØ14 | 20 | 86 | 12 | 8 | 42 | 4xM5 | 9,2 | 16 | 3,89 |
| 1"1/4 | 32 | 77600007-77600107 | 130 | 100 | 4xM16 | 29 | 58 | 250,5 | 84 | 64 | 15,5 | 140 | 4xØ18 | 25 | 105 | 12 | 8 | 42 | 4xM5 | 14,4 | 16 | 6,21 |
| 1"1/2 | 40 | 77600008-77600108 | 140 | 110 | 4xM16 | 35,5 | 71 | 250,5 | 102,5 | 78 | 24,5 | 150 | 4xØ18 | 32 | 110 | 16 | 10 | 50 | 4xM6 | 25,9 | 16 | 8,50 |
| 2" | 50 | 77600010-77600110 | 160 | 125 | 4xM16 | 41 | 82 | 321,5 | 109 | 85 | 25 | 165 | 4xØ18 | 40 | 120 | 16 | 10 | 50 | 4xM6 | 40,4 | 16 | 12,27 |
| 2"1/2 | 65 | 77600012-77600112 | 180 | 145 | 4xM16 | 53 | 106 | 321,5 | 128 | 104,5 | 28 | 185 | 4xØ18 | 50,2 | 125 | 20 | 14 | 70 | 4xM8 | 63,2 | 16 | 19,10 |
| 3" | 80 | 77600014-77600114 | 200 | 160 | 8xM16 | 61 | 122 | 381,5 | 136,5 | 113 | 28 | 200 | 8xØ18 | 64 | 150 | 20 | 14 | 70 | 4xM8 | 115,8 | 16 | 24,34 |
| 4" | 100 | 77600018-77600118 | 220 | 180 | 8xM16 | 76 | 152 | 381,5 | 155,5 | 136 | 34,5 | 220 | 8xØ18 | 76 | 159 | 24 | 18 | 102 | 4xM10 | 163,2 | 16 | 38,45 |
| 5" | 125 | 77600019-77600119 | 250 | 210 | 8xM16 | 98 | 196 | 381,5 | 178,5 | 159 | 34,5 | 250 | 8xØ18 | 100 | 190 | 24 | 18 | 102 | 4xM10 | 282,6 | 16 | 63,00 |
| 6" | 150 | 77600020-77600120 | 306 | 240 | 8xM20 | 116 | 242 | 700 | 252 | 201 | 49 | 285 | 8xØ22 | 125 | 210 | 42 | 30 | 125 | 4xM12 | 441,6 | 16 | 108,00 |
*For automation please consult factory.

Stainless steel temperature range: -20°C +160°C.
Vacuum: 10-3 torr.
| Position | Part name | Material | N.° pieces |
|---|---|---|---|
| 1 | BODY | A479-TP316 | 1 |
| 2 | END CONNECTION | A479-TP316 | 1 |
| 3 | BALL | A351-CF8M/A479-TP316 | 1 |
| 4 | BALL SEAT | PTFE | 2 |
| 5 | O-RING | FKM | 1 |
| 6 | THRUST WASHER | PTFE | 1 |
| 7 | O-RING | FKM | 1 |
| 8 | STEM SEAT | PTFE | 1 |
| 9 | PACKING GLAND | CARBON STEEL | 1 |
| 10* | END STOP | INOX AISI 430 (DN15-DN50) CARBON STEEL (DN65-DN150) | 2-1 |
| 11 | SPRING WASHER | CARBON STEEL | 2 |
| 12 | NUT | CARBON STEEL | 2 |
| 13 | STEM | A479-TP316 | 1 |
| 14 | HANDLE | CARBON STEEL | 1 |
| 15 | HANDLE DN 150 | CARBON STEEL | 1 |
| 16 | SCREW | CARBON STEEL | 1 |
| 17 | SCREW | CARBON STEEL | 8 |
| 18 | BODY HANDLE DN150 | EN-GJL 250 | 1 |
| SIZE | DN | CODE | X | Y | Z | I | L | R | P | A | C | G | M | D | S | E | F | ØN | B | Kv(L) | PN | Kg |
|---|---|---|---|---|---|---|---|---|---|---|---|---|---|---|---|---|---|---|---|---|---|---|
| 1/2" | 15 | 77600704-77601004 | 89 | 65 | 4xM12 | 20 | 40 | 131,5 | 64,5 | 47 | 15,5 | 95 | 4xØ14 | 10 | 76 | 10 | 7 | 32 | 4xM5 | 2,8 | 16 | 2,23 |
| 3/4" | 20 | 77600705-77601005 | 99 | 75 | 4xM12 | 20 | 40 | 131,5 | 67 | 49,5 | 13,5 | 105 | 4xØ14 | 15 | 82 | 10 | 7 | 32 | 4xM5 | 5,2 | 16 | 2,86 |
| 1" | 25 | 77600706-77601006 | 109 | 85 | 4xM12 | 23 | 46 | 174,5 | 79 | 59 | 18 | 115 | 4xØ14 | 20 | 86 | 12 | 8 | 42 | 4xM5 | 9,2 | 16 | 3,89 |
| 1"1/4 | 32 | 77600707-77601007 | 130 | 100 | 4xM16 | 29 | 58 | 250,5 | 84 | 64 | 15,5 | 140 | 4xØ18 | 25 | 105 | 12 | 8 | 42 | 4xM5 | 14,4 | 16 | 6,21 |
| 1"1/2 | 40 | 77600708-77601008 | 140 | 110 | 4xM16 | 35,5 | 71 | 250,5 | 102,5 | 78 | 24,5 | 150 | 4xØ18 | 32 | 110 | 16 | 10 | 50 | 4xM6 | 25,9 | 16 | 8,50 |
| 2" | 50 | 77600710-77601010 | 160 | 125 | 4xM16 | 41 | 82 | 321,5 | 109 | 85 | 25 | 165 | 4xØ18 | 40 | 120 | 16 | 10 | 50 | 4xM6 | 40,4 | 16 | 12,27 |
| 2"1/2 | 65 | 77600712-77601012 | 180 | 145 | 4xM16 | 53 | 106 | 321,5 | 128 | 104,5 | 28 | 185 | 4xØ18 | 50,2 | 125 | 20 | 14 | 70 | 4xM8 | 63,2 | 16 | 19,10 |
| 3" | 80 | 77600714-77601014 | 200 | 160 | 8xM16 | 61 | 122 | 381,5 | 136,5 | 113 | 28 | 200 | 8xØ18 | 64 | 150 | 20 | 14 | 70 | 4xM8 | 115,8 | 16 | 24,34 |
| 4" | 100 | 77600718-77601018 | 220 | 180 | 8xM16 | 76 | 152 | 381,5 | 155,5 | 136 | 34,5 | 220 | 8xØ18 | 76 | 159 | 24 | 18 | 102 | 4xM10 | 163,2 | 16 | 38,45 |
| 5" | 125 | 77600719-77601019 | 250 | 210 | 8xM16 | 98 | 196 | 381,5 | 178,5 | 159 | 34,5 | 250 | 8xØ18 | 100 | 190 | 24 | 18 | 102 | 4xM10 | 282,6 | 16 | 63,00 |
| 6" | 150 | 77600720-77601020 | 306 | 240 | 8xM20 | 116 | 242 | 700 | 252 | 201 | 49 | 285 | 8xØ22 | 125 | 210 | 42 | 30 | 125 | 4xM12 | 441,6 | 16 | 108,00 |
*For automation please consult factory.

Temperature range: -20°C +160°C.
Vacuum: 10-3 torr.
| Position | Part name | Material | N.° pieces |
|---|---|---|---|
| 1 | BODY | A351-CF8M | 1 |
| 2 | END CONNECTION | A351-CF8M | 3 |
| 3 | BALL | A351-CF8M | 1 |
| 4 | BALL SEAT | PTFE | 4 |
| 5 | SEAT | PTFE | 3 |
| 6 | THRUST WASHER | PTFE | 1 |
| 7 | STEM RETAINING NUT | A182-F304 | 1 |
| 8 | STEM | A479-TP316 | 1 |
| 9 | HANDLE | A182-F304 | 1 |
| 10 | HANDEL WASHER | A182-F304 | 1 |
| 11 | SCREW | A182-F304 | 1 |
| 12 | SCREW | A182-F304 | 1 |
| 13 | STEM SEAT | PTFE | 1 |
| SIZE | DN | CODE | O | A | C | T | H | L | R | Ch | I | E | F | P | ØM | ØN | Z | D | 〼B | Kv(L) | PN | Kg |
|---|---|---|---|---|---|---|---|---|---|---|---|---|---|---|---|---|---|---|---|---|---|---|
| 1/4" | 8 | 77200002-77500002 | 11 | 46 | 19 | 12,5 | 32,5 | 69,4 | 133,4 | 27 | 16 | 34,6 | 20,2 | 60,7 | M5 | 42-F04 | 42 | 5 | 9 | 4 | 63 | 0,60 |
| 3/8" | 10 | 77200003-77500003 | 11 | 46 | 19 | 12,5 | 32,5 | 69,4 | 133,4 | 27 | 16 | 34,6 | 20,2 | 60,7 | M5 | 42-F04 | 42 | 5 | 9 | 4 | 63 | 0,60 |
| 1/2" | 15 | 77200004-77500004 | 12,5 | 50 | 19 | 14,5 | 32,5 | 75,7 | 133,4 | 26,4 | 16 | 37,3 | 22,5 | 64,1 | M5 | 42-F04 | 42 | 5 | 9 | 5,2 | 63 | 0,66 |
| 3/4" | 20 | 77200005-77500005 | 16 | 60 | 23 | 16 | 42 | 86,6 | 178,5 | 33 | 18 | 44,7 | 28,3 | 82,4 | M6 | 50-F05 | 50 | 7 | 11 | 8,4 | 63 | 1,19 |
| 1" | 25 | 77200006-77500006 | 20 | 68,6 | 28 | 20,5 | 49,6 | 102,4 | 178,5 | 39 | 21 | 51,4 | 32 | 86,1 | M6 | 50-F05 | 50 | 11,5 | 11 | 12 | 63 | 1,70 |
| 1"1/4 | 32 | 77200007-77500007 | 25 | 77,3 | 31 | 23,5 | 56 | 118,2 | 210 | 53 | 21 | 57,7 | 37,4 | 91,4 | M6 | 50-F05 | 50 | 15,5 | 11 | 19 | 63 | 2,51 |
| 1"1/2 | 40 | 77200008-77500008 | 32 | 87,5 | 33 | 24 | 68 | 125,8 | 208 | 60 | 22 | 62,7 | 42 | 102,7 | M8 | 70-F07 | 70 | 15,5 | 11 | 26 | 63 | 3,57 |
| 2" | 50 | 77200010-77500010 | 38 | 97 | 33,5 | 24 | 79,5 | 149 | 230 | 72 | 25,5 | 74,6 | 51,3 | 112 | M8 | 70-F07 | 70 | 15,5 | 14 | 32 | 63 | 5,73 |